做咖啡機、香薰機、智能門鎖、寵物喂食器的工程師,常被老板三連問:
傳統方案:控制器 + 700 V MOS + 整流橋 + 續流二極管,BOM 十幾顆,PCB 巴掌大。
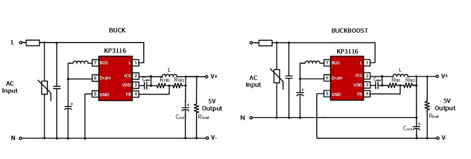
KP3116WPA 把“高壓 MOS + 高壓啟動 + 多模式 PWM”一口氣塞進 SOP-7,外圍僅 8 顆料,空載 <100 mW,系統成本 <0.45 元,PCB 1 cm2 搞定??赐赀@篇,你會明白什么叫“一粒米”電源。
| 項目 | 數據 | 備注 |
|---|---|---|
| 封裝 | SOP-7L | 5×3.8 mm,腳間距 1.27 mm |
| 拓撲 | Buck(降壓) | 支持 Buck-Boost / 反激 |
| 輸入電壓 | 20 – 380 VDC | 兼容 85 – 265 VAC 整流 |
| 輸出能力 | 9 V / 300 mA | 最大 2.7 W,效率 82 % |
| 開關頻率 | 22 – 40 kHz | 隨負載自動降頻,無異音 |
| 空載功耗 | <100 mW | 輕松過 ERP6 & CoC Tier 2 |
| 保護全家桶 | 7 重 | UVLO/OCP/OVP/OTP/OLP/VDD_OVP/自恢復 |
| 工作溫度 | -40 – 125 ℃ | 小家電全場景 |
| 價格 | ¥0.28 @10k | 比分離方案便宜 30 % |
場景:咖啡機 9 V/300 mA 輔助電源,輸入 230 VAC
BOM 清單(含 KP3116WPA 共 8 顆)
實測數據
| Pin | 名稱 | 功能說明 |
|---|---|---|
| 1 | VDD | 芯片供電 9 – 30 V,內置 30 V LDO |
| 2 | FB | 電壓采樣,1.25 V 基準,±2 % 精度 |
| 3 | GND | 信號地 |
| 4 | CS | 峰值電流檢測,200 mV 閾值 |
| 5 | HV | 高壓啟動 & 母線檢測,700 V 耐壓 |
| 6 | NC | 空腳,打地可提升散熱 |
| 7 | DRAIN | 內置 700 V MOSFET 漏極 |
封裝尺寸
SOP-7L:5.0×3.8×1.5 mm,腳間距 1.27 mm,比 TO-92 還小,自動貼片一次過。

片內 700 V 平面 MOSFET,浪涌 2 kV 直通,省掉外置 MOS、啟動電阻、穩壓管,BOM 成本立減 ¥0.12。
22 – 40 kHz 自動調節,避開 20 kHz 音頻區,香薰機、加濕器零嘯叫;輕載跳頻,空載功耗 <100 mW。
負載變輕,CS 閾值從 200 mV 自動降到 80 mV,降低變壓器磁密,無異音、不過飽和。
UVLO/OCP/OVP/OTP/OLP/VDD_OVP/熱關斷,鎖存/打嗝可選,小家電短路 1 秒自動重啟,售后零維修。

| 條件 | 分離 MOS 方案 | KP3116WPA | 差值 |
|---|---|---|---|
| 元件數量 | 15 顆 | 8 顆 | -7 顆 |
| PCB 面積 | 1.8 cm2 | 1.0 cm2 | -44 % |
| 空載功耗 | 180 mW | 98 mW | -82 mW |
| 效率 9 V/300 mA | 78 % | 82 % | +4 % |
| 成本 @10k | ¥0.58 | ¥0.45 | -¥0.13 |
應用場景 輸入范圍 輸出指標 推薦電感 備注
咖啡機 9 V 85-265 VAC 9 V/300 mA 820 μH 無散熱片
香薰機 12 V 85-265 VAC 12 V/200 mA 1.0 mH 零嘯叫
智能鎖 5 V 85-265 VAC 5 V/500 mA 470 μH 空載 90 mW
寵物喂食器 24 V 85-265 VAC 24 V/100 mA 2.2 mH 效率 85 %
“SOP-7 里塞下 700 V MOS + 高壓啟動 + 多模式 PWM,8 顆外圍搞定 9 V/300 mA,空載 <100 mW,小家電電源的終極‘一粒米’方案?!鄙钲谌鹂萍继峁┘夹g支持,批量價格有優勢~