BP8522SL 是一款集高性能、高集成度與低待機功耗于一體的開關電源驅動芯片,專為全電壓范圍(85~265VAC)輸入的 Buck 和 Buck-Boost 拓撲應用而設計。其卓越的性能和豐富的功能使其在眾多電源解決方案中脫穎而出,尤其適用于小家電輔助電源、物聯網設備、智能家居以及智能照明等領域。
在 Buck 拓撲應用中,BP8522SL 通過簡潔的電路設計實現了高效的電壓轉換。其典型應用電路如圖 2 所示,輸入端連接交流電源后,經過內部集成的整流橋二極管,將交流電轉換為直流電。該芯片內置的 550V 高壓 MOSFET 在控制信號的驅動下,周期性地導通與關斷,從而在電感 L1 上產生高頻脈沖電壓。電感 L1 與輸出電容 C2 構成濾波電路,將高頻脈沖電壓平滑為穩定的直流輸出電壓。BP8522SL 的輸出電壓設定為 5V,能夠提供最大 50mA 的輸出電流,滿足小功率設備的供電需求。

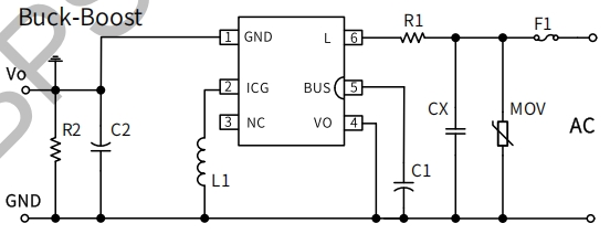
對于 Buck-Boost 拓撲,BP8522SL 同樣表現出色。如圖 1 所示,該電路不僅能夠實現降壓功能,還能在輸入電壓低于輸出電壓時進行升壓操作。這種拓撲結構使得 BP8522SL 在寬輸入電壓范圍內都能穩定輸出 5V 電壓,并提供 50mA 的電流。通過合理選擇電感 L1 和電容 C1、C2 的參數,可以優化電路的動態響應和效率。

BP8522SL 的內部結構框架圖(如下圖所示)清晰地展示了其高度集成化的設計特點。芯片內部集成了多個關鍵功能模塊,這些模塊協同工作,確保了電源轉換的高效性和穩定性。

BP8522SL 內置了一個 800V 的整流橋二極管,能夠直接處理全電壓范圍(85~265VAC)的交流輸入。這種設計不僅簡化了外部電路,還提高了系統的可靠性。同時,芯片還集成了高壓啟動電路,能夠在系統上電后迅速啟動內部 VCC 電容充電,確保芯片快速進入工作狀態。當 VCC 電容電壓達到 11V 時,芯片內部控制電路開始工作,而當電壓降低到 5V 時,芯片會進入欠壓保護狀態,防止因電壓不足導致的不穩定運行。
BP8522SL 的自供電電路是其高效運行的核心之一。在正常工作期間,自供電電路會在 MOSFET 關斷期間通過 BUS 端為內部 VCC 電容供電。這種設計不僅避免了外部 VCC 電容的使用,還減少了系統的待機功耗,提高了整體效率。
BP8522SL 內部集成了電流采樣電路,無需外置采樣電阻,從而降低了系統成本和體積。電流采樣電路能夠實時監測通過電感的電流,并在電流達到內部設定的限制值時關閉 MOSFET,防止過流損壞。同時,芯片還通過 VO 引腳采樣輸出電壓,并利用內置反饋二極管和電阻分壓網絡將其與內部基準電壓進行比較,實現精確的恒壓控制。這種設計確保了輸出電壓的穩定性和動態響應能力。
BP8522SL 提供了豐富的保護功能,包括輸出過載保護(OLP)、過溫保護(OTP)和自動重啟功能。這些保護功能模塊通過實時監測芯片的工作狀態,確保在異常情況下能夠及時關閉 MOSFET,防止芯片和外圍電路的損壞。例如,當檢測到輸出短路或過載時,芯片會觸發 OLP 并進入自動重啟程序;當芯片結溫達到 145℃時,過溫保護功能會關閉 MOSFET,直到溫度下降到安全范圍,芯片才會重新啟動。
BP8522SL 內置的振蕩器能夠根據負載條件自動調整開關頻率。在輕載或空載時,開關頻率降低,從而減少開關損耗并提高效率;在重載時,開關頻率升高,確保輸出電壓的穩定性和動態響應。這種頻率自適應控制技術不僅優化了芯片的性能,還降低了電磁干擾(EMI),提高了系統的可靠性。
BP8522SL 采用了 SSOP-6 封裝形式,這種封裝方式不僅體積小巧,還具備良好的散熱性能,適合應用于緊湊型電源設計。以下是 BP8522SL 的管腳封裝圖(如圖 3 所示)及各管腳的功能描述:
BP8522SL 的管腳封裝圖清晰地展示了其管腳布局和連接方式。芯片共有 6 個管腳,每個管腳都有明確的功能定義,確保了電路設計的簡潔性和可靠性。

GND(管腳 1):輸出地,同時也是內置續流二極管的陽極。該管腳為芯片提供了接地參考點,并確保續流二極管能夠正常工作。
ICG(管腳 2):芯片地,同時也是內置 MOSFET 的源極和內置續流二極管的陰極。該管腳為芯片的內部控制電路提供了接地參考點,并確保 MOSFET 能夠正常導通和關斷。
NC(管腳 3):無連接。該管腳在電路中未定義任何功能,建議保持懸空。
VO(管腳 4):輸出電壓采樣端,同時也是內置反饋二極管的陽極。該管腳連接到輸出正端,用于采樣輸出電壓,并通過內置反饋二極管和電阻分壓網絡實現恒壓控制。
BUS(管腳 5):內置整流橋二極管的陰極,連接到母線電容的正端。該管腳為高壓啟動電路和自供電電路提供了電源輸入,并確保母線電壓能夠穩定地為芯片供電。
L(管腳 6):內置整流橋二極管的陽極,連接到 AC 端。該管腳直接與交流輸入電源相連,通過內置整流橋二極管將交流電轉換為直流電,為后續的電源轉換提供基礎。
BP8522SL 內置高壓啟動電路和自供電電路,無需外部 VCC 電容。當系統上電后,母線電壓通過 BUS 引腳對內部 VCC 電容充電,當電容電壓達到 11V 時,芯片啟動。在正常工作期間,自供電電路在 MOSFET 關斷期間通過 BUS 端持續為 VCC 電容供電,確保芯片穩定運行。這種設計不僅簡化了電路,還提高了系統的可靠性和效率。

BP8522SL 具備軟啟動功能,能夠在啟動過程中逐步增加輸出電壓,避免因瞬間大電流沖擊導致的電路損壞。軟啟動過程中,開關頻率隨著輸出電壓的升高而逐漸增加,確保電路平穩過渡到正常工作狀態。
BP8522SL 通過 VO 引腳采樣輸出電壓,并利用內置反饋二極管和電阻分壓網絡將其與內部基準電壓進行比較。通過這種方式,芯片能夠精確控制輸出電壓,確保其穩定在 5V。輸出電壓采樣僅在續流階段進行,建議設計時保證續流時間大于 7us,以確保采樣準確。
BP8522SL 采用頻率自適應控制技術,根據負載條件自動調整開關頻率。在輕載或空載時,開關頻率降低,從而減少開關損耗并提高效率;在重載時,開關頻率升高,確保輸出電壓的穩定性和動態響應。這種自適應控制技術不僅優化了芯片的性能,還降低了電磁干擾(EMI)。
BP8522SL 內部集成電流采樣電路,無需外置電流采樣電阻。當開關周期開始時,MOSFET 導通,漏極電流上升。當電流達到內部限制值(100~130mA)時,MOSFET 關斷,直到下一個開關周期開始。此外,芯片還具備前沿消隱(Leading Edge Blanking)功能,避免因 MOSFET 開通瞬間的電流尖峰誤觸發保護機制。
BP8522SL 提供全面的保護功能,包括輸出過載保護(OLP)、過溫保護(OTP)和自動重啟功能。當檢測到輸出短路或過載時,芯片會觸發 OLP 并進入自動重啟程序。如果故障持續存在,芯片會在 0.5 秒后再次嘗試啟動。此外,當芯片結溫達到 145℃時,過溫保護功能會關閉 MOSFET,直到溫度下降到安全范圍,芯片才會重新啟動。這些保護功能確保了 BP8522SL 在各種異常情況下都能安全運行,延長了芯片和外圍電路的使用壽命。
BP8522SL 以其高性能、高集成度和低待機功耗的特點,成為理想的開關電源驅動芯片選擇。其在 Buck 和 Buck-Boost 拓撲中的典型應用電路簡單高效,能夠穩定輸出 5V 電壓并提供 50mA 的電流。通過高壓啟動與自供電、軟啟動、輸出電壓采樣與控制、頻率自適應控制、電流檢測與保護等功能的協同作用,BP8522SL 不僅優化了電源轉換效率,還提高了系統的可靠性和安全性。無論是在小家電輔助電源、物聯網設備還是智能家居領域,BP8522SL 都能為用戶提供穩定、高效的電源解決方案。