在現代廚房電器中,電磁爐以其高效、便捷和安全的特性受到廣泛歡迎。而一款優秀的電磁爐不僅需要強大的核心加熱功能,還需要穩定可靠的輔助電源來支持其控制電路和其他輔助功能的正常運行。本文將詳細介紹一款基于FT8443BDx芯片的18V500mA雙風扇電磁爐輔助電源方案,該方案采用了Buck-Boost拓撲結構,并已通過相關認證。
FT8443BDx是一款專為小家電輔助電源設計的高性能、高精度、低成本非隔離PWM功率開關。它集成了電流模PWM控制器和高壓功率開關管,能夠提供穩定的高精度輸出電壓。該芯片的誤差放大器經過優化,確保了優越的動態響應,使其在單電壓輸入范圍內都能保持穩定的性能。

本方案專為雙風扇電磁爐設計,旨在為電磁爐的控制電路和其他輔助設備提供穩定的18V電源。其輸入電壓范圍為230Vac±15%,能夠適應不同地區的電網波動。在設計過程中,我們充分考慮了效率、靜態功耗、紋波等關鍵性能指標,力求在滿足電磁爐需求的同時,實現高效率和低功耗運行。
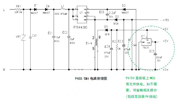
該方案的電路原理圖如下所示:

電路采用了Buck-Boost拓撲結構,這種結構能夠在輸入電壓高于或低于輸出電壓的情況下正常工作,具有很強的適應性。在電路中,FT8443BDx芯片作為核心控制元件,通過調節PWM信號的占空比來控制功率開關管的導通和截止,從而實現對輸出電壓的穩定調節。
輸入端通過整流橋將交流電壓轉換為直流電壓,然后經過電感和電容組成的濾波電路,為芯片提供穩定的輸入電壓。輸出端采用電容濾波,進一步降低紋波電壓,確保輸出電壓的穩定性。此外,電路還設計了多種保護功能,如欠壓鎖定、過壓保護、過溫保護、過流保護和輸出短路保護等,以提高電源的可靠性和安全性。
以下是該方案的主要物料清單:
| 物料名稱 | 型號 | 數量 | 備注 |
|---|---|---|---|
| PWM功率開關 | FT8443BDx | 1 | 核心控制芯片 |
| 整流橋 | DB107 | 1 | 輸入端整流 |
| 電感 | 600uH | 1 | 儲能元件 |
| 輸入濾波電容 | 2.2uF | 2 | 降低輸入紋波 |
| 輸出濾波電容 | 12uF | 2 | 降低輸出紋波 |
| 高壓MOS管 | 內置 | 1 | 開關元件 |
| 二極管 | 1N4007 | 2 | 續流二極管 |
| 電阻 | 10K | 若干 | 分壓、限流等 |
| 電容 | 100nF | 若干 | 濾波、去耦等 |
| 變壓器 | 定制 | 1 | 提供隔離和變壓功能 |
| PCB | 定制 | 1 | 安裝和連接所有元件 |
PCB設計對于電源的性能和穩定性至關重要。本方案采用單面板設計,元件分布合理,布線簡潔明了。以下是PCB的頂面和底面布局圖:

隨著人們對廚房電器性能和安全性的要求不斷提高,電磁爐作為一種高效、便捷的烹飪設備,市場前景廣闊。而FT8443BDx芯片的18V500mA雙風扇電磁爐輔助電源方案,以其高效率、低功耗、穩定可靠的特點,能夠為電磁爐的控制電路和其他輔助設備提供穩定的電源支持,滿足市場需求。
此外,該方案還可以應用于其他小家電輔助電源領域,如電飯煲、微波爐等,具有廣泛的適用性和推廣價值。