在當今電子設備日益小型化、高效化的趨勢下,對于電源管理芯片的性能和成本要求也越來越高。KP3114SGA作為一款高性能、低成本的離線式PWM控制功率開關,憑借其獨特的優勢,成為了眾多小家電電源等離線式小功率降壓型應用場合的不二之選。
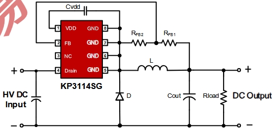
KP3114SGA是由Kiwi Instruments Corp.推出的一款專為離線式小功率降壓型應用設計的PWM控制功率開關。它集成了700V高壓MOSFET和高壓啟動電路,能夠在超低壓輸入(>20V)的條件下穩定工作,支持反激、降壓和升降壓拓撲,最高開關頻率可達30kHz,空載功耗低于100mW。這些特性使得KP3114SGA在滿足高效能轉換的同時,還能有效降低待機功耗,提升系統的整體性能。

KP3114SGA內部集成的700V高壓MOSFET,不僅提高了系統的浪涌耐受能力,還簡化了外圍電路設計。與傳統的PWM控制器相比,它無需外部時鐘驅動MOSFET,系統開關頻率能夠根據負載變化自動調節,從而在不同工作條件下都能保持高效的能效轉換。
該芯片采用了多模式PWM控制技術,這種技術可以根據實際負載情況自動調整峰值電流檢測閾值,有效降低了空載時的待機功耗。同時,它還能消除系統工作中的可聞噪音,確保在各種工作環境下都能實現無異音運行,為用戶提供安靜的使用體驗。
KP3114SGA集成了多種保護功能,包括過載保護(OLP)、逐周期電流限制(OCP)、輸出過壓保護(OVP)和過溫保護(OTP)等。這些保護功能不僅能夠確保芯片在異常工作條件下的安全性和可靠性,還能保護與之相連的電路免受損壞,延長整個系統的使用壽命。
KP3114SGA采用SOP-8封裝,這種封裝形式具有體積小、散熱性能好等特點,非常適合小家電電源等對空間要求較高的應用場景。此外,該芯片在保證高性能的同時,還具有低成本的優勢,能夠在不增加系統成本的前提下,為用戶提供可靠的電源解決方案。

在小家電領域,如電飯煲、電水壺、電磁爐等設備的電源管理中,KP3114SGA的應用極為廣泛。這些設備通常需要在較低的輸入電壓下穩定工作,并且對電源的能效和可靠性要求較高。KP3114SGA的超低壓輸入能力、低空載功耗以及完備的保護功能,使其能夠完美滿足這些需求,為小家電提供穩定可靠的電源支持。
除了小家電電源,KP3114SGA還可應用于其他需要離線式小功率降壓型電源的場合,如小型電子設備的適配器、充電器等。其靈活的拓撲支持和高效的能效轉換特性,能夠為這些設備提供高效、穩定的電源解決方案,幫助設計工程師簡化電路設計,降低成本,同時提升產品的性能和可靠性。

綜上所述,KP3114SGA憑借其高性能、低成本以及豐富的功能特點,在離線式小功率降壓型應用領域展現出了強大的競爭力。它不僅能夠滿足現代電子設備對電源管理芯片的高要求,還能為用戶提供可靠、高效、經濟的電源解決方案,是小家電電源等應用場合的理想選擇。